EE Digital Electronics/Lecture Arithmetic
Arithmetic logic builds from basic logical elements(AND, OR, NOT,...).
Can be parallel and series, when series - calculations by sequences of signals.
Half-adder
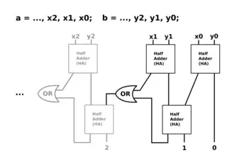
Half-adder can be used for counting numbers - bunch of adders with the combined logic are realizing the adding of binary numbers. Also half-adder logic similar to XOR element. In Berkley's publication is using AND,NOT,OR elements.
Scheme
Scheme of the half-adder

This scheme gives opportunity to count two digits, when calculates 1 + 1, result(sum) is 0 but the curry have 1.
General scheme for counting numbers

It is a "global" scheme, because possible to count whole numbers. For adding length of number we can add new repeatable patterns of half-adders and OR.