Differential Approach: We seek solution at every point , i.e describe the detailed flow pattern at all points.
Integral Approach: We focus on a control volume (CV), which is a finite region. It determines gross flow effects such as force or torque on a body or the total energy exchange. For this purpose, balances of incoming and outgoing flux of mass, momentum and energy are made through this finite region. It gives very fast engineering answers, sometimes crude but useful.
Flow over an airfoil: Lagrangian vs Eulerian approach and differential vs integral approach.
Lagrangian versus Eulerian Approach: Substantial Derivative
Path of a fluid element
Let be any flow variable (pressure, velocity, etc.). Eulerian approach deals with the description of at each location and time (t). For example, measurement of pressure at all defines the pressure field: . Other field variables of the flow are:
Lagrangian approach tracks a fluid particle and determines its properties as it moves.
Oceanographic measurements made with floating sensors delivering location, pressure and temperature data, is one example of this approach. X-ray opaque dyes, which are used to trace blood flow in arteries, is another example.
Let be the variable of the particle (substance) P, this is called "substantial variable".
For this variable:
and
In other words, one observes the change of variable for a selected amount of mass of fixed identity, such that for the fluid particle, every change is a function of time only.
In a fluid flow, due to excessive number of fluid particles, Lagrangian approach is not widely used.
Thus, for a particle P finding itself at point for a given time, we can write the equality with the field variable:
Along the path of the particle:
Hence,
The local change in time is the local time derivative (unsteadiness of the flow) and the change in space is the change along the path of the particle by means of the convective derivative.
The substantial derivative connects the Lagrangian and Eulerian variables.
System versus Control volume
In mechanics, system is a collection of matter of fixed identity (always the same atoms or fluid particles) which may move, flow and interact with its surroundings.
Hence, the mass is constant for a system, although it may continually change size and shape. This approach is very useful in statics and dynamics, in which the system can be isolated from its surrounding and its interaction with the surrounding can be analysed by using a free-body diagram.
In fluid dynamics, it is very hard to identify and follow a specific quantity of the fluid. Imagine a river and you have to follow a specific mass of water along the river.
Mostly, we are rather interested in determining forces on surfaces, for example on the surfaces of airplanes and cars. Hence, instead of system approach, we identify a specific volume in space (associated with our geometry of interest) and analyse the flow within, through or around this volume. This specific volume is called "Control Volume". This control volume can be fixed, moving or even deforming.
The control volume is a specific geometric entity independent of the flowing fluid. The matter within a control volume may change with time, and the mass may not remain constant.
Example of different types of control volume. A)Fixed CV: Flow through a pipe. B)Moving CV: Flow through a jet engine of a flying aircraft C)Deforming CV: Flow from a deflating balloon
Basic laws for a system
Conservation of mass
The mass of a system do not change:
where,
Newton's second law
For a system moving relative to a inertial reference frame, the sum of all external forces acting on the system is equal to the time rate of change of linear momentum () of the system:
Note that all basic laws are written for a system, i.e defined mass with fixed identity. We should rephrase these laws for a control volume.
Relation of a system derivative to the control volume derivative
Consider a fire extinguisher
whereas
We would like to relate
to
The variables appear in the physical laws (balance laws) of a system are:
Mass (),
Momentum (),
Energy (),
Moment of momentum (),
Entropy ().
They are called extensive properties. Let be any arbitrary extensive property. The corresponding intensive property is the extensive property per unit mass:
Hence,
Control Volume versus System
One dimensional Reynolds Transport Theorem
Flow through a nozzle used to derive the 1-D Reynolds transport theorem
Consider a flow through a nozzle.
If is an extensive variable of the system.
The first term for
for
Similarly
Thus, for , the terms in the equality for the time derivative of the system are
so that,
This is the equation of 1 dimensional Reynolds transport theorem (RTT).
The three terms on the RHS of RTT are:
1. The rate of change of B within CV indicates the local unsteady effect.
2. The flux of B passing out of the CS.
3. The flux of B passing into the CS.
There can be more than one inlet and outlet.
Three Dimensional Reynolds Transport Theorem
Hence, for a quite complex, unsteady, three dimensional situation, we need a more general form of RTT. Consider an arbitrary 3-D CV and the outward unit normal vector defined at each point on the CS. The outflow and inflow flux of across CS can be written as:
and are positive quantities. Therefore,
the negative sign is introduced into , to compensate the negative value of .
Since , RTT can be written as:
It is possible that CV can move with constant velocity or arbitrary acceleration.
This form of RTT is valid if the CV has no acceleration with respect to a fixed (inertial) reference frame. RTT is then valid for a moving CV with constant velocity when:
1. All velocities are measured relative to the CV.
2. All time derivative measure relative to the CV.
Thus for a CV moving with
These issues will be covered again.
CV with multiple inlets and outletsCV with arbitrary shape used to derive Reynolds transport theoremSign of the inflow and outflow fluxes to the CVRelation between the absolute velocity vector with the velocity of the moving reference frame and the velocity w.r.t. to the moving reference frame
Conservation of mass
i.e
Assume = constant (incompressible)
As of CV is also constant, the time derivative drops out:
The net volume flow rate should be zero through the control surfaces.
Note that we did not assume a steady flow. This equation is valid for both steady and unsteady flows.
If the flow is steady,
there is no-mass accumulation or deficit in the control volume.
Linear Momentum equation for inertial control volume
,
This equation states that the sum of all forces acting on a non-accelerating CV is equal to the sum of the net rate of change of momentum inside the CV and the net rate of momentum flux through the CS.
Force on the system is the sum of surface forces and body forces.
The surface forces are mainly due to pressure, which is normal to the surface, and viscous stresses, which can be both normal or tangential to the surfaces.
The body forces can be due to gravity or magnetic field.
at the initial moment
i.e. in component form:
First law of Thermodynamics
at the initial moment , the following equality is valid:
thus, the integral form of energy equation is:
Examples
Example 1
Consider the mass balance in a stream tube by using the integral form of the conservatin of mass equation.
Let and be too small such that the velocities at position 1 and 2 are uniform across and .
The first term is zero and the second term can be analyzed by decomposing the integration area.
where the integration over is zero, because there is no flow across the streamtube. Thus,
Mass balance for stream tube inside a laminar flow
Example 2
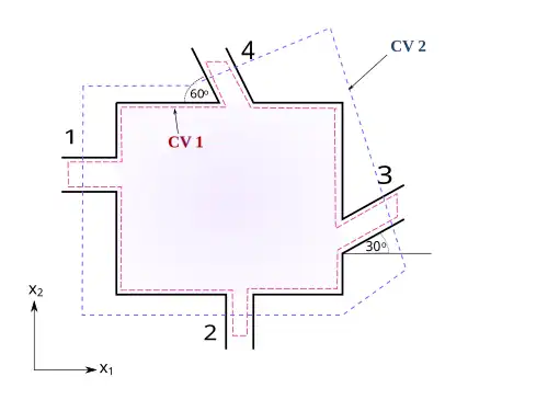
Consider the steady flow of water through the device. The inlet and outlet areas are , and = .
The following parameters are known:
Mass flow out at 3 ().
Volume flow rate in through 4 ().
Velocity at 1 along -direction , so that .
Find the flow velocity at section 2?Assume that the properties are uniform across the sections.
Where the first term is zero due to steady state conditions.
At section 1:
At section 3:
At section 4:
mass balance for a connector device
Hence, the velocity at section 2 can be calculated by
For
The term on the right side is positive if is negative (outflow) and it is negative if is positive (inflow).
Example 3
Consider the steady flow through a stream tube. The velocity and density are uniform at the inlet and outlet of the fixed CV. Find an expression for the net force on the control volume.
where the derivative with respect to time is zero due to steady state conditions.
Force in a streamtube
Example 4
Experimental Setup for nozzle test
Water from a stationary nozzle strikes to a plate. Assume that the flow is normal to the plate and in the jet velocity is uniform. Determine the force on the plate in direction.
Independent from the selected CV.
No body force in direction.
Control volume I and II and Free body diagram of the plate
at 2 and 3.
The force which acts on the plate (action-reaction) is
It is also possible to solve the problem with
Hence, the force exerted on the plate by the CV is
Example 5
Velocity distribution of fluid over a plate
Consider the plate exposed to uniform velocity. The flow is steady and incompressible. A boundary layer builds up on the plate. Determine the Drag force on the plate. Note that can be approximated at L.
Apply conservation of mass
Insert the mass conservation result into the momentum equation.
is known.Here,using
Example 6
Consider the jet and the vane. Determine the force to be applied such that vane moves with a constant speed in direction.
Assume: steady flow, properties are uniform at 1 and 2, nobody forces, incompressible flow.
Note that for an inertial CV (static or moving with constant speed) RTT is valid, but velocities should be written with respect to the moving CV.
from continuity,
for
at 1, and at 2, .
Momentum Equation for CV with rectilinear acceleration
For an inertial CV the following transport equation for momentum holds:
However, not all CV are inertial: for example a rocket must accelerate if it is to get off the ground.
Denote an inertial reference frame with and another reference frame moving with the system . Hence, becomes the non-inertial frame of reference. Let the system to move with a velocity and an acceleration and respectively. Here and accordingly with time derivative dt,
or,
These above relationship implies that the velocity and the acceleration is not same when considered from inertial and moving reference frame.
The Newton's second law states that:
Thus the following relation holds for the fluid velocity in the system
Where is the velocity of the fluid in the system with respect to a non-inertial reference frame, is the velocity of the fluid in the system with respect to the inertial reference frame. Accordingly, the acceleration reads:
For a control volume moving with and
Thus for cases, where , the time derivative of and are not equal for a system accelerating relative to an inertial reference frame, i.e. RTT is not valid for an accelerating control volume.
To develop momentum equation for an accelerating CV, it is necessary to relate to .
Previously we have seen that in a non-inertial reference frame having rectilinear acceleration, i.e. (translational acceleration).
and also
For a moving CV we know that
Let system and CV coincides at an instant :
Examples
Example 1
A small rocket, with an inertial mass of , is to be launched vertically. Assume a steady exhaust mass flow rate and velocity relative to the rocket.
Neglecting drag on the rocket, find the relation for the velocity of the rocket U(t).
A:
B: Since is not a function of the coordinates:
is the time rate of change at -momentum of the fluid in CV. One can treat the rocket CV as if it is composed of two CV's, i.e. the solid propellant section (CVI) and nozzle section (CVII):
As solid propellant has no velocity in CVI, does not change in time at the nozzle and the mass in CVII does not change in time, this term can be neglected completely:
D:
Substitution of all the terms gives:
The first term is always positive due to the . To overcome gravity one should have enough exit velocity, i.e. momentum. Moreover, it can be seen from this equation that if the fuel mass burned is a large fraction of the initial mass, the final rocket velocity can exceed the exit velocity of the fluid.
Control Volume I and II
Extension of Energy equation for CV
where
here
is the stress in the plane of dA.
is the normal stress normal to dA.
In many cases
since
Inserting those into the main energy equation:
Shear and Normal stress component on the surface element dA
/
Examples
Example 1
Air enters compressor at inlet 1 with negligible velocity and leaves at outlet 2. The power input to the machine is and the volume flow rate is .
Find a relation for the rate of heat transfer in terms of the power, temperature, pressure, etc.
1:
2:
For uniform properties at 1 and 2 and inserting the inserting the relation for the enthalpy.
Assuming that air behaves like an ideal gas with a constant .
Energy balance for a compressor
Special form of the Energy equation
For a CV with one inlet 1, one outlet 2 and steady uniform flow through it.
For uniform flow properties at the inlet and outlet.
Reform:
For , and incompressible flow:
: Mechanical energy per unit mass.
: Irreversible conversion of mechanical energy to unwanted thermal energy and loss of energy via heat transfer .
Thus with this equation I can calculate the loss of energy through a device.
i.e.
One can add the work done by a pump or a turbine.
Differential Control Volume Analysis:Bernoulli Equation
Consider the steady, incompressible, frictionless flow through the differential CV for a stream tube.
Continuity
Component of Momentum Equation
Differential control volume for Bernoulli's Equation
with:
Then,
where
with:
Then,
Pressure Distribution on fluid element
Integrate between 1 and 2 along a streamline:
Bernoulli equation is clearly related to the steady flow energy equation for a stream line. This form of the Bernoulli equation, when the following conditions are satisfied:
1. Steady flow. Note that theres is also an unsteady Bernoulli equation.
2. Incompressible flow. For example, in aerodynamics, flow can be accepted to be incompressible for Mach number less than 0.3.
3. Frictionless flow, e.g. in the absence of solid walls.
4. Flow along a single streamline. Different streamline has a different constant.
5. No shaft work between 1 and 2.
6. No heat transfer between 1 and 2.
Bernoulli's equation is inapplicable due to a) friction loss on the surface and the end for a flow around a car b) heat energy input in the heat engine c) addition of mechanical energy inside the flow of a ventilator
Examples
Example 1
Consider steady flow of water through a horizontal nozzle. Find as a function of flow rate .
Assumptions: steady, incompressible, frictionless, flow along a streamline, , uniform flow.
From continuity:
Flow through horizontal nozzle
Example 2
Find a relation between the nozzle discharge velocity and the tank free surface height. Assume steady frictionless flow and uniform flow at 2.
for steadiness , thus,
Nozzle discharge velocity at the bottom of the tank
Example 3
Find a relationship between the flow rate and the pressure difference inside a pipe which could be measured by venturimeter